桥楼航行值班报警系统
桥楼航行值班报警系统(Bridge Navigational Watch Alarm System )旨在监视桥楼活动并发现由于操作者失去工作能力而可能导致的海上事故。当值班驾驶员(OOW)失去履行其职责的能力时,系统将自动向船长或其他OOW报警。
BNWAS介绍:
桥楼航行值班报警系统(Bridge Navigational Watch Alarm System )旨在监视桥楼活动并发现由于操作者失去工作能力而可能导致的海上事故。当值班驾驶员(OOW)失去履行其职责的能力时,系统将自动向船长或其他OOW报警。
系统首先是向OOW提出警告,如果没有得到应答,则将向船长或另一位有能力的OOW报警。此外,BNWAS还可向OOW提供即时求助的呼叫措施。无论何时只要船首航向或航迹控制系统运行,BNWAS就应处于工作状态,但船长禁止时除外。


HMT-BNWAS 特点:
体积小
安装方便
可扩展性好
采用触摸屏设计,操作方便
报警顺序:

| ||||||||||||||||||||||||||||
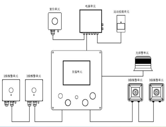
| 主控单元 | ||
![]() | 规格 | 220x220x70 / 180x180x70 |
| IP等级 | IP22 | |
| 输入 | DC 24V | |
| 功能 | 控制系统运行,连接自动舵、VDR等外部设备并进行数据处理,也是系统的主要操作单元。 | |
| 电源单元 | ||
![]() | 规格 | 185x160x70 / 210x150x50 |
| IP等级 | IP22 | |
| 输入 | AC:110V/220V / DC:24V | |
| 功能 | 连接外部电源,给系统供电,同时也是复位单元、报警单元的接线盒。 | |
| 复位单元 | ||
![]() | 规格 | 62x57x35 |
| IP等级 | IP56 | |
| 输入 | DC 24V | |
| 功能 | 报警复位。 | |
| 运动传感器 | ||
![]() | 规格 | 110x60x49 |
| IP等级 | IP22 | |
| 输入 | 12V/24V DC | |
| 功能 | 通过检测人体移动来判断驾驶室是否有值班人员。 | |
| 报警单元 | ||
![]() | 规格 | Ф80x52 / 78x73x57 / 128x128x130 |
| IP等级 | IP56,IP22 | |
| 输入 | 24V DC | |
| 功能 | 报警 | |

